Ero sivun ”Kaaviot” versioiden välillä

Motopediasta
Siirry navigaatioon Siirry hakuun
Ei muokkausyhteenvetoa
 
Ei muokkausyhteenvetoa
Rivi 1: Rivi 1:
[[Category:SÄHKÖT]]
[[Category:SÄHKÖT]]
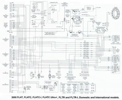
TC FLH (vm2000) sähkökaavio.
Klikkaa kuvaa suuremmaksi.
[[Kuva:Wiring diagram TC2000FLH.jpg|400px]]

Versio 22. helmikuuta 2010 kello 13.32

TC FLH (vm2000) sähkökaavio.

Klikkaa kuvaa suuremmaksi.

Wiring diagram TC2000FLH.jpg