1991 FXLR ei lähde käyntiin

Kaasutin, ruisku- ja ohjaus, sytytys, ilmanpuhdistin, pakoputkisto

Valvojat: Pertti, pressa

Avatar
Joe Cool
Viestit: 5900
Liittynyt: 01:26 14.08.2006.
Paikkakunta: Helsinki
Viesti:

Re: 1991 FXLR ei lähde käyntiin

Viesti Kirjoittaja Joe Cool »

Shortone kirjoitti: 23:22 18.06.2023.
Pertti kirjoitti: 22:14 18.06.2023. Tyhjäkäyntisuutin tukossa.
Just viime viikolla vaihdoin uuden 44 suuttimen ja koko kaasarin viime kesänä.
Oletan Pertin tarkoittaneen tyhjäkäyntineulaa, ei tuota välialueen suutinta. Mitä neulalle on tehty.

Kuva
Joe Cool Has Left The Building 8) - Joella on vasemmanpuoleinen rakennus :mrgreen:
Shortone
Viestit: 98
Liittynyt: 20:05 06.07.2021.
Paikkakunta: Helsinki

Re: 1991 FXLR ei lähde käyntiin

Viesti Kirjoittaja Shortone »

Joe Cool kirjoitti: 10:06 19.06.2023.
Shortone kirjoitti: 23:22 18.06.2023.
Pertti kirjoitti: 22:14 18.06.2023. Tyhjäkäyntisuutin tukossa.
Just viime viikolla vaihdoin uuden 44 suuttimen ja koko kaasarin viime kesänä.
Oletan Pertin tarkoittaneen tyhjäkäyntineulaa, ei tuota välialueen suutinta. Mitä neulalle on tehty.
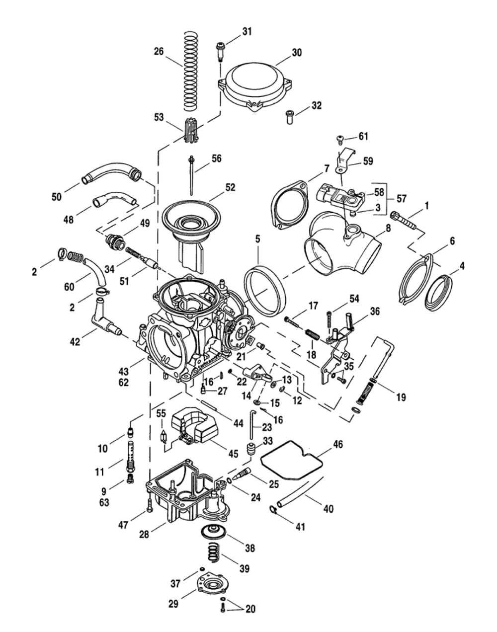
HD04XL_CV40-CARBURETOR-SCHEMATIC.gif
Neulalle en ole tehnyt mitään. Itseasiassa en edes tiedä missä neula sijaitsee.
Avatar
KariFS
Viestit: 602
Liittynyt: 13:36 12.06.2017.
Paikkakunta: Hämeenkyrö

Re: 1991 FXLR ei lähde käyntiin

Viesti Kirjoittaja KariFS »

Taidetaan tarkoittaa sitä seosruuvia joka on kaasuttimen moottorin puoleisessa päässä, alapuolella. Tehtaan jäljiltä se on ”sinetöity” eli peitetty metallitulpalla. Yleinen ”tviikki” eli pikkuviritys on kaivaa se plommi pois ja kääntää ruuvia aukipäin joku määrä. Ruuvi on erinomaisen hankalassa paikassa, lähes mahdotonta saada pikkuruuvari hollille kaasuttimen ollessa paikallaan, joten kapitalisti ( ;) ) on keksinyt alkaa myymään tuollaisia pidempiä ja sormin helposti pyöritettäviä aftermarket-erikoisruuveja kuten Joe:n kuvassa.

Tämä suutinjuttu liittyy päästövaatimusten täyttämiseen, mutta toisaalta aiheuttaa turhan laihan seoksen tyhjäkäynnillä ja pintakaasulla. Yskiskelee ja pärskii kone sitten. Itse sovitin CV:n Rautapäähän, käytetty, olikohan 1200 Porsterissa ollut, siitä oli jo plommi kaivettu pois, ja hieman aukipäin sain minäkin kääntää.

Se kanava, joka johtaa tuolle ruuville, on aika pieni pilli, ei paljon vaadi että on tukossa. Itse ultraäänipesin 60 asteisessa Sinolissa nippeleiksi puretun kaasuttimen, kun oli kai ollut vintillä vuosia, ja pesun jälkeen paineilmalla kaikki kanavat läpi. En rassannut. Luultavasti tuli puhdas, vaikea sanoa, mutta käyntiin lähti.

Edit. Taisi olla tämän sivun ohje, jota seurasin:

https://cv-performance.com/harley_mixture_screw_tuning
XLS1000 Roadster 1983

”Put down the cheap-ass Chinese aftermarket accessories, step away from the motorcycle and nobody gets hurt!”
Shortone
Viestit: 98
Liittynyt: 20:05 06.07.2021.
Paikkakunta: Helsinki

Re: 1991 FXLR ei lähde käyntiin

Viesti Kirjoittaja Shortone »

Kiitos Karille hyvistä ohjeista. Taas opin uuden asian.
Avatar
Sepixlh
Viestit: 4224
Liittynyt: 08:26 22.04.2002.
Paikkakunta: Paimio
Viesti:

Re: 1991 FXLR ei lähde käyntiin

Viesti Kirjoittaja Sepixlh »

Tässä myös yksi linkki tuon CV:n modaamisenn ja hämmästelyyn http://www.nightrider.com/biketech/hd_cv_mods.htm
Kerhon omasta wikistä voi myös hämmästellä kaasariin liittyvää
http://www.harrika.fi/wiki/index.php?title=Kaasutin
You live more in 5 minutes on a bike like this going flatout, than some people live in a lifetime.
-Burt Munro
Shortone
Viestit: 98
Liittynyt: 20:05 06.07.2021.
Paikkakunta: Helsinki

Re: 1991 FXLR ei lähde käyntiin

Viesti Kirjoittaja Shortone »

cv_carb_cutawayB.jpg
Kuvassa punaisilla nuolilla on merkitty uimurikammiosta seosruuville menevä kanava, joka tekee muutaman mutkan matkalla. Onko joku onnistuneesti pystynyt rassaamaan sen? En viitsisi irroittaa koko kaasutinta, sillä sitä varten joudun irroittamaan täysinäisen bensatankin, koska ryyppyvaijeri on niin hankalassa paikassa.

Avasin seosruuvia 1 3/4 - 2,5 kierrosta ja kokeilin käyttää moottoria, mutta joka säädöllä kone yskii ja paukkuu. Ainoastaan huikka päällä käy nätisti.
Pertti
Viestit: 6165
Liittynyt: 21:11 28.09.2004.
Paikkakunta: Lapua
Viesti:

Re: 1991 FXLR ei lähde käyntiin

Viesti Kirjoittaja Pertti »

Tankin tyhjennys on helppoa, kun hankkii perämoottoriin tarkoitetun pensaletkun, jossa on pallopumppu.
Ei tarvitse makustella pensan aromeja suussa.
moderattori

Romu rauhoittaa!
Avatar
JKKo
Viestit: 1875
Liittynyt: 09:42 07.05.2002.
Paikkakunta: Helsinki

Re: 1991 FXLR ei lähde käyntiin

Viesti Kirjoittaja JKKo »

Ei lappoletkua HD:n tankin tapauksessa tarvitse imemällä täyttää. Tunkee sen letkun tankkiin upoksiin lukuunottamatta pientä pätkää, mitä pitää sormissaan. Letku täyttyy sitä mukaa kun painuu bensan sekaan, paine pitää siitä huolen. Sitten vaan nipistysotteella letkun pää umpeen ja vetää sitä letkua ulos sen verran, että ylettyy valutusastiaan pitäen kuitenkin huolen siitä, että lappoletkun toinen pää pysyy koko ajan upoksissa.
'91 883/1200/turbo 2001=>
'09 Street Bob 2009=>
Avatar
-Harikka-
Viestit: 5056
Liittynyt: 09:50 15.11.2002.
Paikkakunta: 'suur'-Salo:n saaristo merenranta kauppala
Viesti:

Re: 1991 FXLR ei lähde käyntiin

Viesti Kirjoittaja -Harikka- »

JKKo kirjoitti: 07:23 21.06.2023. Ei lappoletkua HD:n tankin tapauksessa tarvitse imemällä täyttää. Tunkee sen letkun tankkiin upoksiin lukuunottamatta pientä pätkää, mitä pitää sormissaan. Letku täyttyy sitä mukaa kun painuu bensan sekaan, paine pitää siitä huolen. Sitten vaan nipistysotteella letkun pää umpeen ja vetää sitä letkua ulos sen verran, että ylettyy valutusastiaan pitäen kuitenkin huolen siitä, että lappoletkun toinen pää pysyy koko ajan upoksissa.
Kuva

Näin mie oon tehny ~7-vuotiaasta asti (melkei 50 vuotta), kun edes menny isoisäpuoli näytti asian sadevesi tynnyristä, muistaakseni Plaston tankkiauton täyttöö varte :!: :wink:
Sitte ajettii veljen kanssa tankkiautot kukkapenkkien vieree kukkien kastelua varte :!: :mrgreen:

Tuossa vielä enklannin kieline vilmi aiheesta, jollei joku päässy jyvälle JKKo:n selostuksesta :!: :wink: :idea: :arrow: How to siphon (without sucking a hose) 1:25
'Vintage' 2001 TC 95cid (small bore) 1557cc kaasari FXSTB.
Emilia ChromeTrain
, ex NighTrain, 'kevyesti' muokattu & piristetty :wink: 8)
Shortone
Viestit: 98
Liittynyt: 20:05 06.07.2021.
Paikkakunta: Helsinki

Re: 1991 FXLR ei lähde käyntiin

Viesti Kirjoittaja Shortone »

Nyt alkaa pinna olee aika kireellä. Kaasarin reiät on pianolangalla käyty läpi, eikä niissä ollut mitään tukoksia. Ainoa joka pisti silmään niin seosruuvin kumitiiviste oli jousen päässä. Nyt se on jousen kannassa. Joka tapauksessa moottori paukkuu ja aivastelee samalla lailla kuin ennenkin.

Kahta CV Keihin kaasaria olen kokeillut HD:n omaa ja Kiinan kopiota. Molemmilla sama aivastelu. Kohta harkitsen Weber DCOE:n imusarjan ostoa. Varastossa on 2 uudenveroista DCOE:tä.
ww040.jpg
Avatar
Kiwi
Viestit: 2241
Liittynyt: 22:09 18.01.2010.
Paikkakunta: Lapua
Viesti:

Re: 1991 FXLR ei lähde käyntiin

Viesti Kirjoittaja Kiwi »

Nyt täytyy ihmetellä mitä tarkoittaa ”seosruuvin kumitiiviste oli jousen päässä. Nyt se on jousen kannassa”?

Nuo tuplathan on oikein kivan näköisiä muttei niiden kanssa seeveetä helpommalla pääse.
Shortone
Viestit: 98
Liittynyt: 20:05 06.07.2021.
Paikkakunta: Helsinki

Re: 1991 FXLR ei lähde käyntiin

Viesti Kirjoittaja Shortone »

694287630_max.jpg
Kiwi kirjoitti: 20:54 23.06.2023. Nyt täytyy ihmetellä mitä tarkoittaa ”seosruuvin kumitiiviste oli jousen päässä. Nyt se on jousen kannassa”?
Prikkaa ei ollut ollenkaan.
Pertti
Viestit: 6165
Liittynyt: 21:11 28.09.2004.
Paikkakunta: Lapua
Viesti:

Re: 1991 FXLR ei lähde käyntiin

Viesti Kirjoittaja Pertti »

Siellä jousen kannassa o-rengas ei taida paljoa tiivistää, kun jää jenkaosaan.
moderattori

Romu rauhoittaa!
Shortone
Viestit: 98
Liittynyt: 20:05 06.07.2021.
Paikkakunta: Helsinki

Re: 1991 FXLR ei lähde käyntiin

Viesti Kirjoittaja Shortone »

No tulipahan sekin vaihtoehto kokeiltua. Tulos oli sama.
Avatar
Pekka L
Viestit: 463
Liittynyt: 13:35 23.01.2008.
Paikkakunta: Hämeenlinna

Re: 1991 FXLR ei lähde käyntiin

Viesti Kirjoittaja Pekka L »

Shortone kirjoitti: 23:22 18.06.2023.
Pertti kirjoitti: 22:14 18.06.2023. Tyhjäkäyntisuutin tukossa.
Just viime viikolla vaihdoin uuden 44 suuttimen ja koko kaasarin viime kesänä.
Oliko tuohon kaasarin vaihtamiseen joku syy...? 8O
Pekka äL
Satulapummi Wakka-Hämeestä
25. ajokausi Harrikalla, nyt Ultra Limited 24
Vastaa Viestiin