Sivu 1/1
Softail hukkasi elämänlangan....
Lähetetty: 17:45 18.08.2021.
Kirjoittaja anatovi
Auttakee miestä mäessä. Ostin ensimmäisen H-D:n 2000 Softail pääsin 900m ja sit hukku elämä. Eli ei tule kipinää...nyt kiperä kysymys. Tämä BAS anturi johon menee 12vDC maa ja yksi johto menee sytkän ohjaus purkille. Pitäisikö tässä sytkä purkille menevässä johdossa olla 12VDC vai maa. Tällä hetkellä ei kumpaakaan. Startti pyörii hienosti mutta vain kipinä puuttuu.....Olisi mukava ajella vähän pitemmästikkin...Vai onko jotain muuta mitä kannattaisi epäillä...tiedän etttä tämän vuosimallin sähköt on mitä on...mutta
Re: Softail hukkasi elämänlangan....
Lähetetty: 18:29 18.08.2021.
Kirjoittaja ranze
Ohjaustangon tappokytkin johdotuksineen mitattu? Eikä oo mahdollinen ajonesto päällä? Systeemit on aikalailla erilaiset ruiskussa ja kaasariversiossa, kumpikohan kyseessä?
Re: Softail hukkasi elämänlangan....
Lähetetty: 18:40 18.08.2021.
Kirjoittaja anatovi
Startti pyörii niin eikös silloin tappokatkasin toimi oikein....kaasari peli kyseessä
Re: Softail hukkasi elämänlangan....
Lähetetty: 18:43 18.08.2021.
Kirjoittaja Vuppe
Tuleeko puolalle 12V.
Re: Softail hukkasi elämänlangan....
Lähetetty: 20:01 18.08.2021.
Kirjoittaja -Harikka-
anatovi kirjoitti: 18:40 18.08.2021.
Startti pyörii niin eikös silloin tappokatkasin toimi oikein....kaasari peli kyseessä
Oi
anatovi,
Saattas olla hyödyllistä laittaa kylä, tahi lähin suurehko kauppala näkyvii, lähistöllä oleva tietäjä saattaa tarvittaessa lähistöltä tulla kurkkaamaa
Ja rätkän malli & vuosi allekirjotuksee

Re: Softail hukkasi elämänlangan....
Lähetetty: 20:42 18.08.2021.
Kirjoittaja anatovi
Pyörä Äänekoskella. Pyörä Softail night train FXSTB vuosimalli 2000
Re: Softail hukkasi elämänlangan....
Lähetetty: 22:51 18.08.2021.
Kirjoittaja Pertti
Onko pyörä alkuperäiskunnossa vai rakenneltu?
Onko sähköjä muuteltu?
Re: Softail hukkasi elämänlangan....
Lähetetty: 11:40 19.08.2021.
Kirjoittaja anatovi
Pyörä rakennettu. Sähköjäkin muuteltu mm. Mittari Revtech sytkäboxi Dyna tc88 p2
Re: Softail hukkasi elämänlangan....
Lähetetty: 11:56 19.08.2021.
Kirjoittaja anatovi
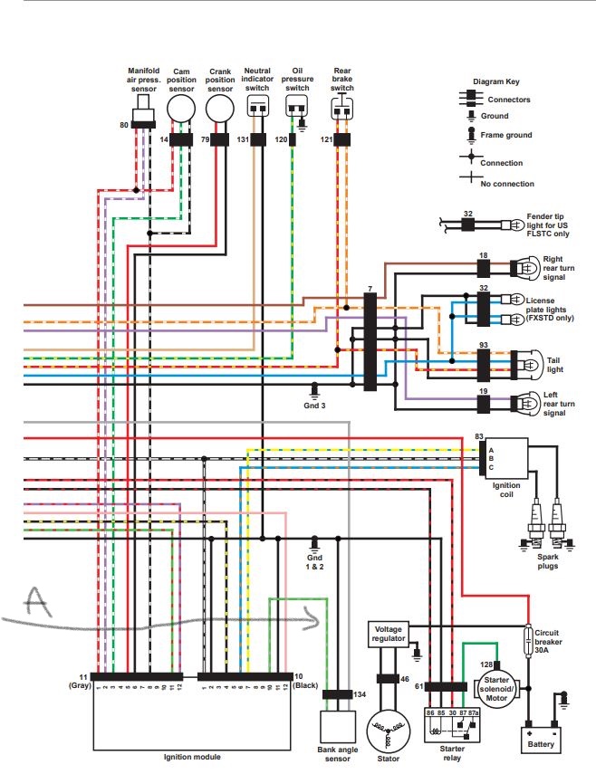
Kyse on tosta johdosta (A) eli kuuluuko olla jännite vai maa ?
Re: Softail hukkasi elämänlangan....
Lähetetty: 12:37 19.08.2021.
Kirjoittaja Sepixlh
Jossain ohjeessa kerrottiin "BAS resetoinnin" vaativan virtojen käyttämistä päällä ja pois 4 kertaa.
Tuossa kulkee mielestäni väyläsignaali eli 5-7V, tuon pitäsi sytyttää myös vikavalon mittarissa. Jotakin tekemistä myös ajoneston kanssa.
Noista antureista on ollut aikoinnan myös takaisinkutsu...
Re: Softail hukkasi elämänlangan....
Lähetetty: 14:06 19.08.2021.
Kirjoittaja Veijo Esso
Eikö tuo ollut vielä ihan mekaaninen kytkin, jossa joku kuula tms. katkaisee virran kun kallistuu tarpeeksi? Minusta tuossa pitäisi näkyä jännitettä kun virta on päällä ja pyörä pystyssä. Eri asia sitten on miten sytkäboksi sen kanssa toimii ja tarvitseeko se jotain taikatemppuja nollaukseen.
Uudemmissa ja enemmän väylää käyttävissä BAS on osana vilkkumoduulia ja se diagnosointiin ei jännitemittari riitä.
Re: Softail hukkasi elämänlangan....
Lähetetty: 20:39 19.08.2021.
Kirjoittaja UrpoTJ
Jos tämä olisi uudempi, ehdottaisin heti systeemireleen uusimista. Sen vioittuminen aiheutti minulla juuri samanlaiset oireet. Mutta kun tässä on vain starttirele, sen vikaantuminen ei moista voine aiheuttaa.
Eikös tässä ole kampiakselin asentotunnistin, tuo Crank Position Sensor? Jos se ei kerro akselin pyörivän niin kipinä häviää. Tuon toimintaa voi periaatteessa myös mitata kun saa moottorin pyörimäänn, mutta on vähän hankalampaa.
Ainakin tämän anturin liittimen irroittaisin ja uudelleenkiinnittäisin. Uudemmissa tämä magneettinen anturi on helppo pyyhkiä puhtaaksi mahdollisista toimintaa haittaavista metallihipuista. Joskus on auttanut, mutta useammin on varmaan tarvinnut uusia jos tästä ei pyörimistietoa lähde.
Re: Softail hukkasi elämänlangan....
Lähetetty: 07:23 20.08.2021.
Kirjoittaja anatovi
Sen verran asiaa tutkin että löysin lontoonkielisiltä sivuilta kommentin missä sanottiin että olisi Hall-anturi ja kun mittasin sytytyksen ohjaus boxille tulevasta piuhasta siellä oli +5VDC mikä tarkoittaa että BAS sensor tripped. Kun on kunnossa ja pyörä pystyssä pitäisi olla n.0.6VDC. Viikonloppuna takapyörä pois ja anturi irti....

Re: Softail hukkasi elämänlangan....
Lähetetty: 07:48 20.08.2021.
Kirjoittaja Pertti
Ei olisi ensimmäinen kerta, kun muutetussa laitteessa kaatumisanturi on ollut huonosti kiinni ja päässyt putoamaan väärään asentoon.